电磁灶原理图,380v商用电磁炉原理?
380v商用电磁炉原理
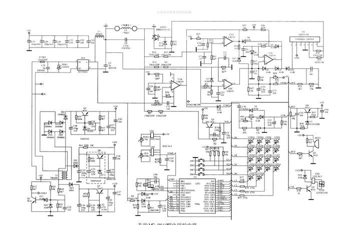
商用电磁炉采用高频电磁感应加热技术的原理,是通过整流电路将交流电整流变成直流电,再将直流电转换成频率为20-40KHz的高频高压电流。电流通过电磁感应线圈时,会产生磁场,磁场内的磁力线通过被加热的金属容器,就会在容器表面产生强大的涡流,使容器本身快速发热,并迅速提高容器内物质的温度,达到加热目的。由于感应线圈与被加热金属并不直接接触,能量通过电磁感应进行传递,热效率高达90

电磁炉一直加热怎么回事温度过高
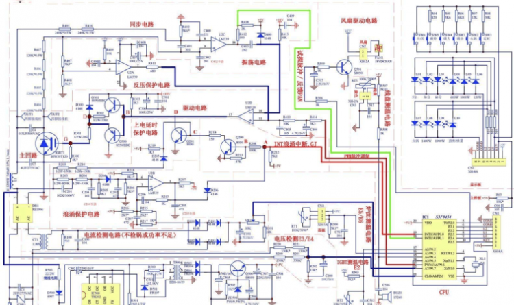
1、温度过高,电磁炉的过热保护,是加热不连续2、线路板受潮引起的漏电现象,特别是线路较近的地方和电压较高的地方;3、同步电路的电阻热稳定性差电磁炉又称为电磁灶,1957年第一台家用电磁炉诞生于德国。1972年,美国开始生产电磁炉,20世纪80年代初电磁炉在欧美及日本开始热销。电磁炉的原理是电磁感应现象,即利用交变电流通过线圈产生方向不断改变的交变磁场,处于交变磁场中的导体的内部将会出现涡旋电流(原因可参考法拉第电磁感应定律),这是涡旋电场推动导体中载流子(锅里的是电子而绝非铁原子)运动所致;涡旋电流的焦耳热效应使导体升温,从而实现加热。电磁炉主要有两大部分构成:一是能够产生高频交变磁场电子线路系统(含电磁炉线圈盘);二是用于固定电子线路系统,并承载锅具的结构性外壳(含能承受高温和冷热急变的炉面板)。电磁炉系利用线圈盘在控制电路的作用下产生低频(20~25KHZ)之交变磁场,经过导磁性(铁质)锅具产生大量密集涡流,兼有感应电流转化为热量来加热食物,能源效率特高。使用铁质、特殊不锈钢或铁烤珐琅之平底锅具,且其锅底直径以12~26厘米为宜。电磁炉附有温度控制器,可防过热,省电又安全。参考资料:

关于电磁炉和电磁灶
电磁灶和电磁炉没有区别。
电磁炉又称为电磁灶,1957年第一台家用电磁炉诞生于德国。电磁炉的原理是电磁感应现象,即利用交变电流通过线圈产生方向不断改变的交变磁场,处于交变磁场中的导体的内部将会出现涡旋电流;涡旋电流的焦耳热效应使导体升温,从而实现加热。
电磁炉3000w一小时多少度电
电磁炉3kw一小时多少度电?
应该是三度电,因为我们知道耗电量的计算就是每1kw一小时消耗一度电,所以电磁炉是3kw的,使用一个小时的耗电量就应该是三度电,其实我们在实际使用电磁炉做饭的过程当中,如何使用最高档3kw来炒菜,使用一个小时耗电量就应该是3度电左右。
电磁炉是不是很费锅
电磁炉温度调得太高容易费锅。
我们在使用电磁炉炒菜或熬汤等过程中,温度调到200度以上,如果我们此时离开了或忘记了,很容易烧坏锅。如果我们调到180度时,一般是不会烧坏锅的。
再者就是,把锅放在电磁灶上,我们去忙其他事情,甚至忘记了,这才是烧坏锅的正真原因。因此,我们最好不要离开正在工作的电磁炉。
电磁炉时间闪烁
原因是闪烁灯晶管坏了,直接拿去修理店去换个新的就行了。
电磁炉电磁炉又称为电磁灶,1957年第一台家用电磁炉诞生于德国。1972年,美国开始生产电磁炉,20世纪80年代初电磁炉在欧美及日本开始热销。电磁炉的原理是电磁感应现象,即利用交变电流通过线圈产生方向。
有不插电使用的电磁炉吗
没有不插电使用的电磁炉,既然叫做电磁炉,肯定是需要用电才能使用的炉子。
电磁炉又称为电磁灶,1957年第一台家用电磁炉诞生于德国。1972年,美国开始生产电磁炉,20世纪80年代初电磁炉在欧美及日本开始热销。电磁炉的原理是电磁感应现象,即利用交变电流通过线圈产生方向不断改变的交变磁场,处于交变磁场中的导体的内部将会出现涡旋电流(原因可参考法拉第电磁感应定律),这是涡旋电场推动导体中载流子(锅里的是电子而绝非铁原子)运动所致;涡旋电流的焦耳热效应使导体升温,从而实现加热。
标签:
109
当兵的要女兵,参军入伍要求条件女兵 本文目录 1.参军入伍要求条件女兵2.女生当兵的要求20223.现在女生当兵有什么要求4.女孩当兵需要什么条件 参军入伍要求条件女兵 【 法律分析 】:...
117
壁咚什么意思求解,壁咚是什么意思壁咚出自哪里? 壁咚是什么意思壁咚出自哪里 壁咚是日本流行词语,时常出现在少女漫画或动画以及日剧当中。男性把女性逼到墙边,单手或者靠...
146
鲜猴头菇怎么吃最好(新鲜猴头菇的家常做法) 猴头菇,是中国传统的名贵菜肴,肉嫩、味香、鲜美可口。是四大名菜(猴头、熊掌、燕窝、鱼翅)之一。有“山珍猴头、海味鱼翅”之...
165
企业在线培训有什么好的平台(2022年在线企业培训平台排名) 越来越多的企业通过互联网组织企业培训和学习。在线培训已成为企业学习和培训的重要途径。现在是大数据 互联网时代...
77
苹果手机怎么越狱(iPhone越狱详解不是你想象那么简单) 大家可能都知道iPhone可以越狱,但越狱是干嘛的,能给我们带来什么,为什么一定得越狱,越狱之后是否真的不能保修了,那么...
180
富贵竹的养殖方法和注意事项水养(富贵竹怎么养才能更旺盛) 富贵竹光听名字都非常吉利,而且还具有一定的观赏价值,因此深受人们喜爱,不过很多人却不知道富贵竹怎么养才能更...
121
十款好玩的手游推荐(200多款的手游合集) 至今我们一共推荐了277款有趣的手游,整理了39个不同类型的手游合辑。 希望小伙伴们看到这篇文章会有所帮助,也希望小伙伴们可以多多关...
86
如何分辨日版iphone6有锁无锁(如何在无Sim卡情况下鉴别是否无锁版iPhone6 ) 【巴士数码】区分有锁无锁版的iPhone6最简单最直接的方法,就是用其他运营商的sim卡进行验证,比如美版i...
178
无线路由器网速慢该怎么设置(一分钟有效解决无线路由器网速慢) 在日常的无线路由器的使用过程中,大家经常会遇到路由器用久了之后出现网速时不时的出现网速奇慢,甚至经常掉...
132
圣诞节贺卡祝福语锦集33句(圣诞节电子贺卡祝福语收藏模板大全) 2017年圣诞节到了,商场、超市、写字楼各处可见各种圣诞树、圣诞老人、圣诞礼物的出现,相信这个圣诞节你或许也...
230
毛巾上有黄斑怎么回事,毛巾上有黄斑,这是是什么?怎么祛除? 毛巾上有黄斑,这是是什么怎么祛除 毛巾上有黄斑是脱水不干净,晾晒不及时以致各种化学品残留在毛巾纤维内而引...
138
空调被怎么洗,空调被怎么洗 本文目录 1.空调被怎么洗2.空调被怎么机洗3.空调被怎么洗4.空调被怎么洗 空调被怎么洗 如今每个家庭都安装了空调,在炎热的夏天经常需要打开空调一晚,...
138
取消外教补课老师什么反应(教育界洋垃圾泛滥) 改革开放以后,我国可以说是有越来越多的外国人来到中国,那么我们也是对他采取了友好的政策来欢迎这些人。这些人中有一部分人...
98
情人节和元宵节同一天的文案(元宵节才是真正的情人节) 元宵节才是真正的情人节 今天是元宵节。一大早醒来,我就想着官居宰相、唐宋八大家之一的欧阳修写的那首关于元宵节的...
134
知了猴到底有多强大(300亿只知了猴在美国泛滥成灾) 文/视说科普 炎热的夏季来临,闷热的同时也出现了不少的“噪音”,比如知了,相信很多南方的小伙伴都遭受过知了的“折磨”...
178
你是我的荣耀顾漫在线阅读番外(你是我的荣耀没等到) 顾漫的言情小说人气高,她有好多部小说深受观众追捧,更是还被拍成了电视剧,获得了一大批观众喜爱!顾漫现在已被拍剧的...
195
桃李面包哪款最好吃(多达20多种的桃李面包大盘点) 在成都,相信不少上班族或者年轻人都知道桃李面包,基本是每家商超的标配,不管是小区小卖部,还是红旗、舞东风、永辉、人...
63
什么可以快速美白(让皮肤快速变白的实用方法) 女生应该知道的美白方法,坚持做到这四个方面,你会白到发光! 女生对于变美变漂亮都有着执着的追求,每每了解到一些可以变美...
161
美白补水自制面膜(自制美白补水面膜) 使用天然的材料在家自制补水美白面膜,不仅效果出众,而且天然安全有保障不论是在家自制祛斑面膜还是补水面膜,你都可以选用家中原有的...
126
适配器有效显示模式(适配器模式) 适配器在生活中无处不在,比如电脑的转接头、读卡器、电源转接头他们的共同点就是接口标准不一样,需要通过适配器转换后才能使用就拿读卡器...